天眼查显示,上海裕芯电子科技有限公司近日取得一项名为“一种恒功率大电流充电系统”的专利,授权公告号为CN117040071B,授权公告日为2025年10月17日,申请日为2023年8月25日。

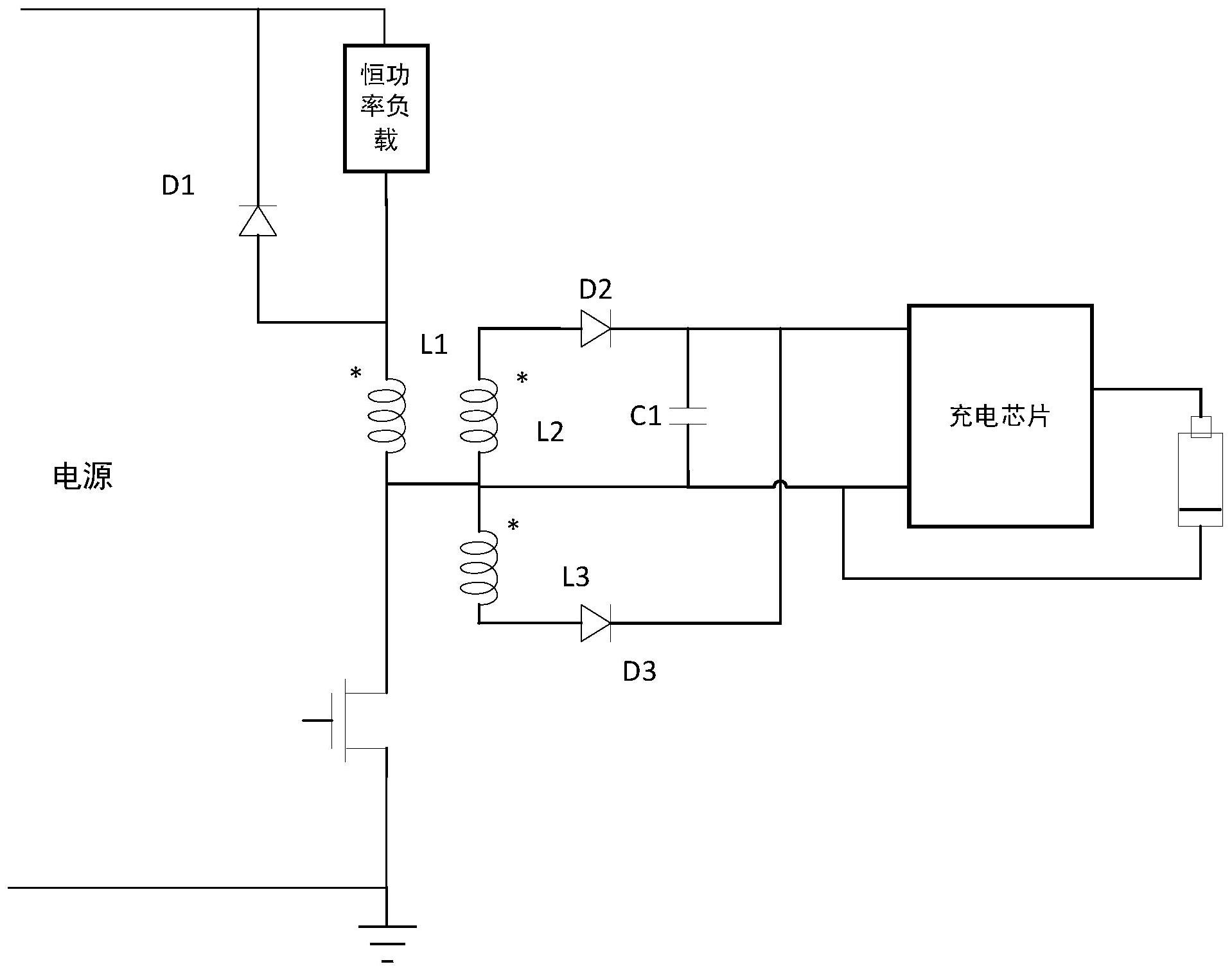
一种恒功率大电流充电系统,包括充电芯片、电感L1,L2,L3、开关晶体管、二极管D1,D2,D3和电容C1;锂离子电池接在充电芯片的输出端和芯片地之间;电感L2的异名端、电感L3的同名端与电感L1的异名端接芯片地,电感L2的同名端与通过二极管D2接充电芯片的输入端,电感L3的同名端与通过二极管D3接所述充电芯片的输入端,电容C1连接在所述充电芯片的输入端与芯片地之间,其中,电感L1的负载是恒功率时,电感L1存储的能量感生到电感L2和电感L3,以使所述充电芯片的源也是恒功率。因此,本发明不仅实现了涓流、恒功率、恒流和恒压的充电方式,同时还兼顾了大电流充电和充满电的需求。
